RTX独显轻薄全能本一直都是市面上讨论度比较高的细分类型笔记本,因为它兼顾了轻薄的机身和强力的性能输出等特性,符合不少消费者对笔记本轻薄而强劲的日常使用需求。在主流价位中,华硕无畏Pro系列综合表现不错,自推出以来就是RTX独显轻薄全能本中的热门机型。

随着英特尔第1代酷睿Ultra处理器的发布,华硕也带来了首台酷睿Ultra 9+RTX 4060全能AI轻薄本:华硕无畏Pro15 2024,这台机型参数亮眼,搭载了16核酷睿Ultra 9 185H处理器+RTX 4060 8GB独显的高规格核心硬件组合,并配备了一块2.8K 120Hz广色域OLED屏,而整机重量不过1.8kg左右,从参数上不难看出又是一款轻薄性能猛机。那么,它的实际性能释放如何呢?轻薄全能本是否真的全能?对于这些大家十分关心的问题,在下面的测评中,牛叔将以实际数据作为解答。
配置与规格
■屏幕:15.6英寸2880×1620分辨率 120Hz OLED华硕好屏
■处理器:英特尔第1代酷睿Ultra 9 185H(16核22线程/最高睿频5.1GHz)
■内存:16GB DDR5 5600MHz
■独显:RTX4060 8GB(性能释放110W)
■核显:Arc graphics
■硬盘:1TB PCIe 4.0 SSD
■无线网络:英特尔AX211 WiFi6E
■左侧接口:USB-A、SD读卡器
■右侧接口:USB-A、雷电4、全功能USB-C、HDMI、RJ45网口、3.5mm音频口、电源口
■机身重量:1.8kg(含75Wh电池)+0.548kg(200W电源适配器)
■特色功能:屏幕色域切换;华硕旋钮;OLED屏幕保护
参考价格:8499元(首发价)
优点:RTX 4060独显性能释放出色;Ultra 9 185H输出功率高;屏幕素质优秀,支持色域切换;性能模式好用;接口丰富;升级扩展性强
遗憾点:白色键盘背光效果一般
1.8Kg时尚简约机身,支持华硕旋钮
华硕无畏Pro15 2024机身通体银色,造型沉稳百搭,整机更具备大屏轻薄全能本的气质,适用场景也更加广泛,不管在图书馆、会议室,亦或者比较严肃的商务场合使用,都没有问题,不会像厚重机身的游戏本那样稍显突兀,这其实就是轻薄全能本在机身上的一大优势卖点。

金属A面相比上一代机型在细节设计上有优化,将原来的浮雕精刻logo换成了ASUS VIVOBOOK字母标识,从牛叔的审美观来说,我个人更喜欢这一代华硕无畏Pro15 2024的A面,更具有科技简洁美。另外银色的外壳不仅视觉上看起来清爽,而且不沾染指纹,省了很多打理清洁的功夫。
B面是一块15.6英寸的2.8K 120Hz OLED屏,采用了窄边框设计,屏幕上下的的边框也控制得不错,后文有屏幕数据实测。

屏幕上方的2.5K分辨率AI摄像头支持3DNR视频降噪、背景虚化、运动追踪等功能,镜头带有实体防窥拨片,物理方式保护隐私更加安全。

机身C面辨识度很高,采用了类似于机身同色的亮色键盘面,统一的色调在用户视觉上的感受更和谐。左右两侧的功能按键和光标按键采用了灰色涂装,方便用户更快速地识别敲击。键盘采用了华硕ErgoSense人体工学背光键盘,带有三档背光和自动亮度调节功能,只是银白色键帽一定程度上削弱了背光键盘的透光效果——牛叔的使用感受是,要么就关闭键盘背光,要么就开启亮度最高的挡位,这两种方式用起来是比较合适的。键盘手感较为舒适,0.2mm下凹弧形键帽表面进行了防滑处理,手指敲击时能感受到轻微的颗粒感,1.4mm键程打字感受畅快。

大尺寸触控板操控起来顺滑,还加入了华硕经典的应用华硕旋钮,这是华硕独有的特色功能。在触控板右上角标识处往下轻轻滑动即可开启/关闭,开启之后有白色光效。它的功能和我们以前介绍过的实体华硕旋钮按键一样,最为典型的应用,就是在Adobe系列软件中(包括Ps、Lrc、Ae、Pr)适配了超过数十个功能,方便用户进行快捷操作。当然,它也支持一些常规快捷功能设置,比如屏幕屏幕、扬声器音量调节,用习惯了之后还是很便利的。

▲在笔记本内置的创作者中心应用里,用户可以自己添加/删除软件相应的功能,上图是牛叔以LR为例演示功能设置。

▲利用华硕旋钮在LR中进行参数调节,用户可以自行设置调节速度。
华硕旋钮用起来怎么样?它能减少用户创作过程中鼠标单调的点击和拖拽等操作,让电脑去“适应”创作者的创作办公,放飞创意,提高创作体验。不过,要说操控的体验,初步使用时,华硕旋钮需要用户习惯并适应一下,熟练之后操控就会流畅很多。另外,这其实也是一个锦上添花的设计,用户可以不用,但谁会拒绝多一个特色功能呢?

左侧是USB-A大口和UHS-II高速读卡器

右侧是雷电4、全功能USB-C、USB-A、HDMI2.1 TMDS、RJ45网口、3.5mm音频口和电源口。
机身实测重量为1.8kg,从我的上下班通勤来看,比游戏本的确是要轻便不少。如果你追求更极致的旅行便携性,那么可以额外自行配备一个USB-C的PD充电器——该机支持100W PD充电。
2.8K 120Hz广色域OLED屏,色域切换是优势卖点
华硕无畏Pro15 2024搭载的是一块2880×1620分辨率100%P3广色域120Hz屏,支持DC调光,有TÜV低蓝光认证,具备出厂逐台校色并内置ICC颜色配置文件,同时通过了潘通色彩认证,核心参数符合该机的定位:高分辨率+广色域+高刷,创作、游戏全能。

▲原生色域模式下,实测屏幕色域覆盖为100%sRGB、95.9%AdobeRGB、99.1%DCI-P3色域。对于OLED广色域下,有的小伙伴担心屏幕饱和度是否过高影响部分视觉应用的准确度?其实不用担心,因为华硕在内置应用“华硕管家”中提供了色域切换功能,支持原生、sRGB、DCI-P3和Display P3四种色域切换,而这也是目前华硕OLED屏笔记本具备的独家卖点。

▲上图即是切换到sRGB显示模式下的色域测试,效果很直观。
上一页12 3 4 下一页 阅读全文

▲色准方面,P3色域下的色准测试ΔE平均值为1,sRGB色域下的色准测试ΔE平均值为0.94,表现出色。出厂校色+内置ICC颜色配置文件+色域切换,能保障用户在日常使用和视觉创作应用中都能得到精准的色彩还原。

▲亮度方面的表现也不错,SDR模式下最高亮度大概在370尼特左右,打开HDR显示,最高峰值亮度超过了600尼特。
再聊聊屏幕的人机交互响应体验,大家都知道OLED屏的一个优势就是响应速度超快,仅需0.2ms,配合120Hz刷新率,日常使用、游戏娱乐的屏幕都丝滑流畅。而结合测试数据和体验来说,华硕无畏Pro15 2024的这块屏幕的分辨率、刷新率、色域、色准以及亮度都无可挑剔,人机交互很棒。并且屏幕也支持自动暗屏、人走自动锁屏等功能。而说到影音,牛叔也顺便说一句,该机的扬声器音量很充沛。

另外,说到OLED屏,就要提到华硕好屏的多重保障功能与措施了:包括出厂默认采用Windows深色模式、具备OLED老化优化技术、默认采用OLED屏幕保护以及加入屏幕保护程序“华硕OLED Care”,例如像素偏移、像素刷新等等,可有效保障OLED屏使用寿命。同时在售后方面,针对OLED屏笔记本,华硕还推出了华硕好屏无忧换新服务:购机一个月内出现亮点免费换屏,标准保修期内(屏幕标准保修期限为24个月),非人为损坏导致屏幕出现残影可免费更换新屏幕。

处理器测试:Ultra 9 185H持续输出功率65W
华硕无畏Pro15 2024搭载的是英特尔第1代酷睿Ultra 9 185H处理器,这是该系列处理器中的旗舰级型号,具备16核22线程,基础功耗28W,最高睿频5.1GHz。第一代酷睿Ultra进行了变革与创新,采用的是分离式模块设计,特点是规格高、能效比出色。

实测来看,华硕无畏Pro15 2024的性能释放也相当不错:室温20℃左右,全转模式下对该机进行单考处理器测试,持续30分钟以后,处理器稳定运行在65W功耗下,温度约77℃,P核约4GHz,E核约3.1GHz。

处理器跑分(单次)测试:

处理器基准测试中,Cinebench R23是大家经常见到的处理器基准测试,单轮测试中(受PL1爆发功耗影响大),华硕无畏Pro15 2024的多核分数是19037,这在1.8kg左右的轻薄大屏本中算是妥妥的强劲选手了。而在10分钟连续跑分测试中,该机的多核跑分也维持在18000分左右,表现不错。

R23单次跑分
处理器满载渲染测试
与跑分测试不同的是,满载渲染测试考查的是笔记本的长期持续输出性能表现,测试为blender渲染,渲染项目为Classroom,最终该机耗时仅为5分22秒(322秒),比标准TDP下的渲染耗时快约40%。该项测试更能说明65W款Ultra 9 185H的实战表现性能。

办公应用测试
PCMark10的办公性能测试包含了常用基本功能(程序启动、视频会议、网页浏览)、生产力(表格和文档)、数位内容创作(照片编辑、渲染和视频编辑)。华硕无畏Pro15 2024的分数是7082,28W的Ultra 7 155H轻薄分数是6715,相差不大,这是因为不管是28W还是65W的16核22线程处理器,应对日常轻度应用都是轻松愉快,毫无压力。


▲SSD测试,PCIe4.0,跑分不错,日常使用响应疾速。
上一页 1 23 4 下一页 阅读全文
CPU测试小结:华硕无畏Pro15 2024的酷睿Ultra 9 185H持续性能释放功率是65W,在酷睿Ultra 轻薄本中算是第一梯队的强力机型,稳妥!同时得益于16核22线程的规格,实战表现强劲,应对日常使用绰绰有余,也能做一些中高度的专业应用,比如视频剪辑、工业制图、3D渲染等。
RTX 4060:满血输出,游戏、创作、AI全搞定
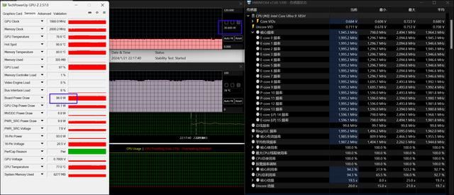
测评款华硕无畏Pro15 2024搭载的是RTX 4060 8GB独显。在大家最为关心的功耗方面,其在全转模式下单考显卡功耗最高在110W左右。并且其搭载的是NVIDIA Studio驱动程序,可为创意应用提供更稳定的助力,同时兼顾游戏娱乐。在下面的性能测试中,牛叔即设置为全转模式进行性能实测。

基准性能测试
先看看独显的基准性能跑分。我们加入了数据库中去年的140W RTX 4060游戏本测试成绩作为对比参考,以方便大家了解华硕无畏Pro15 2024的显卡性能释放水平。

测试结果可能出乎不少小伙伴的意料,尽管华硕无畏Pro15 2024搭载的RTX 4060功耗最高功耗在110W左右,但在大部分基准测试却轻微反超了游戏本的140W款RTX 4060——原因我们之前分析过,主要是因为RTX 40系笔记本独显的能效比很高,不需要25W的动态功耗也能跑满性能(例如桌面的RTX 4060 显卡总功耗即是115W,游戏常规功耗110W),最终也就导致了华硕无畏Pro15 2024的独显基准测试和140W的RTX 4060不相上下,同为满血输出(当然和今年最强级别的RTX 4060相比要稍低一些)。

2.5K分辨率游戏实测
接下来是游戏实测,考虑到屏幕原生分辨率2880×1620对于RTX 4060而言压力偏大,所以从实际使用角度考虑,牛叔将游戏分辨率设置为了2560×1440,并引入了140W RTX 4060游戏本作为参考(注:游戏本是2560×1600分辨率屏),实战更考验整机功率释放情况,显然这方面轻薄全能本是不及游戏本的,那么结果如何呢?

测试来看,两者帧速度差不多,并且华硕无畏Pro15 2024基本都还略微领先一点儿。不可否认的是,也有2560×1440分辨率比2560×1600分辨率稍低一些的缘故。但同时也证明了一点:华硕无畏Pro15 2024搞定2560×1440分辨率3A大作基本妥当,并且帧速和游戏本在同一水平下。

《古墓丽影:暗影》平均帧速94fps

《赛博朋克2077》平均帧速46fps
创作性能测试
Blender不仅支持处理器渲染,也支持RTX独显CUDA加速,这里我们通过对比140W款RTX 3060的CUDA加速测试,来考查华硕无畏Pro15 2024的独显渲染性能。

RTX 4060 GPU CUDA渲染效率非常不错,相比RTX 3060提升明显,其渲染Classroom场景仅需42秒就能完成,而RTX 3060渲染耗时超过了1分钟。

▲照片处理(Ps和Lr)对综合性能要求不算高,华硕无畏Pro15 2024轻松拿下了6686的跑分,处理照片信手拈来。

▲针对该机的工业设计性能表现,我们用专业显卡测试工具SPECviewperf 13进行了详尽测试。这些测试项目包含各种产品设计,从医学影像、地质勘探到建筑、发动机设计、飞机设计等等,以3dsmax-06为例,RTX 4060为224,RTX 3060参考为172;另外,通常游戏显卡分数偏低的Energy-02也跑到了36.39,RTX 3060为21.56。显然在工业制图渲染方面,华硕无畏Pro15 2024也是能胜任的。
AI性能测试
先来看看量化的AI推理算力测试。我们使用了UL PROCYON的AI推理测试模块来进行测试,这是目前Windows环境下的量化AI推理算力测试软件,该机的跑分是790分,由于目前暂无其他独显参考数据,所以这里大家看看成绩即可。

Stable Diffusion是当下非常流行的AI创作工具,设置为:采样方法Euler a、迭代步数50、总批次数10、单批数量2,生成分辨率为768×768的图片,最终测试出图速度是4.33张每分钟。可参考的桌面RTX 4060在同设置下出图速度是4.67张每分钟,两者速度接近,而如果是核显的话,则需要数分钟才能出一张图——从中大家可以看到RTX独显全能本对于AI应用的加成威力。
上一页 1 2 34 下一页 阅读全文

华硕无畏Pro15 2024内置应用“华硕大厅”中还有一个AI新纪元,里面包含了多款的AI本地应用(部分软件需注册/付费使用),比如AI写作助理,AI智能图像处理,AI一键翻译等。大家知道2024年是AIPC元年,内置AI应用能更方便帮助小白用户一键使用AI。

AI写作助理文案,大家觉得怎么样?
RTX 4060独显测试小结:对于一款仅1.8kg左右的轻薄全能本RTX 4060独显能具备满血水平的游戏本级性能表现,可能在实测数据对比之前,不少小伙伴都不太相信,但测试数据完全证明了这一结论。华硕无畏Pro15 2024玩游戏,做创作,都没问题!
满载考机测试:整机性能释放125W
室温17℃左右,全转模式下,对华硕无畏Pro15 2024进行双考测试,半小时之后的情况如下所示:Ultra 9 185H功耗约30W,温度78℃,RTX 4060功耗约95W,温度78.6℃,整机性能释放约125W,对于一款全能本而言表现不错。另外要表扬的是,虽然叫做全转模式,但实际也是根据实时负载调整风扇转速,并不是直接就将转速拉满,只是转速上限比高效模式更高。

风扇噪声:实测双考满载时用户位噪声大概是50分贝,噪声较为明显。切换到高效模式下,风扇噪声大概是47分贝左右,平时使用中,高效模式的体验更舒适。

左侧是全转模式考机,右侧是高效模式考机
C面温度:考机时热量堆积在键盘中高部区域,最高处位于顶部F8附近,约49℃,按键Y、U附近约45℃,总体而言,高负载使用时避开键盘中部热量堆积区域即可。

下图是内部结构图,采用冰川Pro散热架构,双风扇5热管散热模组。内存板载8GB+插槽8GB,预留有M.2 SSD,后期均可升级。电池容量75Wh,PCMark10的现代办公基准测试续航成绩大约是9小时(核显显示模式),旁边是大个头的扬声器。

总结
结合所有的测评数据来看,我们能得出一个十分确凿的结论:得益于两大高能效比核心——第1代酷睿Ultra 9 185H处理器和RTX 4060独显的加持,华硕无畏Pro15 2024是一款高度成熟靠谱的RTX全能AI轻薄本!
论配置,该机齐整无槽点,而且具备充裕的内存、SSD升级扩展性。论性能表现,单处理器能跑65W,单独显输出110W,整机能达到125W的性能输出,日常使用、3A游戏娱乐、渲染剪辑、AI创作都能胜任;论人机交互,有高分高刷OLED屏,并且功能齐全,支持色域切换和OLED保护,有雷电4和全功能USB-C接口,支持100W PD充电,还有2.5K摄像头,不错的扬声器,以及极具特色的华硕虚拟旋钮。再说外观,1.8kg的大屏轻薄机身,无疑比游戏本轻便太多,而且也更能胜任各种商务场合使用。而要挑不足的话,注意下键盘背光的使用情况即可;满载时的风扇噪声肯定是要比核显轻薄本大一些的。
最后谈谈价格和购买建议:目前华硕无畏Pro15 2024的首发价格是8499元,属于万元内大屏RTX全能AI轻薄本。如果你的预算相对充足,同时对笔记本的综合性能要求高,但并不想买或者说不太适合使用厚重机身的游戏本,那么华硕无畏Pro15 2024就是值得考虑的轻薄全能本产品之一,该机的综合表现值得肯定。
上一页 1 2 3 4下一页阅读全文
RTX独显轻薄全能本一直都是市面上讨论度比较高的细分类型笔记本,因为它兼顾了轻薄的机身和强力的性能输出等特性,符合不少消费者对笔记本轻薄而强劲的日常使用需求。在主流价位中,华硕无畏Pro系列综合表现不错,自推出以来就是RTX独显轻薄全能本中的热门机型。

随着英特尔第1代酷睿Ultra处理器的发布,华硕也带来了首台酷睿Ultra 9+RTX 4060全能AI轻薄本:华硕无畏Pro15 2024,这台机型参数亮眼,搭载了16核酷睿Ultra 9 185H处理器+RTX 4060 8GB独显的高规格核心硬件组合,并配备了一块2.8K 120Hz广色域OLED屏,而整机重量不过1.8kg左右,从参数上不难看出又是一款轻薄性能猛机。那么,它的实际性能释放如何呢?轻薄全能本是否真的全能?对于这些大家十分关心的问题,在下面的测评中,牛叔将以实际数据作为解答。
配置与规格
■屏幕:15.6英寸2880×1620分辨率 120Hz OLED华硕好屏
■处理器:英特尔第1代酷睿Ultra 9 185H(16核22线程/最高睿频5.1GHz)
■内存:16GB DDR5 5600MHz
■独显:RTX4060 8GB(性能释放110W)
■核显:Arc graphics
■硬盘:1TB PCIe 4.0 SSD
■无线网络:英特尔AX211 WiFi6E
■左侧接口:USB-A、SD读卡器
■右侧接口:USB-A、雷电4、全功能USB-C、HDMI、RJ45网口、3.5mm音频口、电源口
■机身重量:1.8kg(含75Wh电池)+0.548kg(200W电源适配器)
■特色功能:屏幕色域切换;华硕旋钮;OLED屏幕保护
参考价格:8499元(首发价)
优点:RTX 4060独显性能释放出色;Ultra 9 185H输出功率高;屏幕素质优秀,支持色域切换;性能模式好用;接口丰富;升级扩展性强
遗憾点:白色键盘背光效果一般
1.8Kg时尚简约机身,支持华硕旋钮
华硕无畏Pro15 2024机身通体银色,造型沉稳百搭,整机更具备大屏轻薄全能本的气质,适用场景也更加广泛,不管在图书馆、会议室,亦或者比较严肃的商务场合使用,都没有问题,不会像厚重机身的游戏本那样稍显突兀,这其实就是轻薄全能本在机身上的一大优势卖点。

金属A面相比上一代机型在细节设计上有优化,将原来的浮雕精刻logo换成了ASUS VIVOBOOK字母标识,从牛叔的审美观来说,我个人更喜欢这一代华硕无畏Pro15 2024的A面,更具有科技简洁美。另外银色的外壳不仅视觉上看起来清爽,而且不沾染指纹,省了很多打理清洁的功夫。
B面是一块15.6英寸的2.8K 120Hz OLED屏,采用了窄边框设计,屏幕上下的的边框也控制得不错,后文有屏幕数据实测。

屏幕上方的2.5K分辨率AI摄像头支持3DNR视频降噪、背景虚化、运动追踪等功能,镜头带有实体防窥拨片,物理方式保护隐私更加安全。

机身C面辨识度很高,采用了类似于机身同色的亮色键盘面,统一的色调在用户视觉上的感受更和谐。左右两侧的功能按键和光标按键采用了灰色涂装,方便用户更快速地识别敲击。键盘采用了华硕ErgoSense人体工学背光键盘,带有三档背光和自动亮度调节功能,只是银白色键帽一定程度上削弱了背光键盘的透光效果——牛叔的使用感受是,要么就关闭键盘背光,要么就开启亮度最高的挡位,这两种方式用起来是比较合适的。键盘手感较为舒适,0.2mm下凹弧形键帽表面进行了防滑处理,手指敲击时能感受到轻微的颗粒感,1.4mm键程打字感受畅快。

大尺寸触控板操控起来顺滑,还加入了华硕经典的应用华硕旋钮,这是华硕独有的特色功能。在触控板右上角标识处往下轻轻滑动即可开启/关闭,开启之后有白色光效。它的功能和我们以前介绍过的实体华硕旋钮按键一样,最为典型的应用,就是在Adobe系列软件中(包括Ps、Lrc、Ae、Pr)适配了超过数十个功能,方便用户进行快捷操作。当然,它也支持一些常规快捷功能设置,比如屏幕屏幕、扬声器音量调节,用习惯了之后还是很便利的。

▲在笔记本内置的创作者中心应用里,用户可以自己添加/删除软件相应的功能,上图是牛叔以LR为例演示功能设置。

▲利用华硕旋钮在LR中进行参数调节,用户可以自行设置调节速度。
华硕旋钮用起来怎么样?它能减少用户创作过程中鼠标单调的点击和拖拽等操作,让电脑去“适应”创作者的创作办公,放飞创意,提高创作体验。不过,要说操控的体验,初步使用时,华硕旋钮需要用户习惯并适应一下,熟练之后操控就会流畅很多。另外,这其实也是一个锦上添花的设计,用户可以不用,但谁会拒绝多一个特色功能呢?

左侧是USB-A大口和UHS-II高速读卡器

右侧是雷电4、全功能USB-C、USB-A、HDMI2.1 TMDS、RJ45网口、3.5mm音频口和电源口。
机身实测重量为1.8kg,从我的上下班通勤来看,比游戏本的确是要轻便不少。如果你追求更极致的旅行便携性,那么可以额外自行配备一个USB-C的PD充电器——该机支持100W PD充电。
2.8K 120Hz广色域OLED屏,色域切换是优势卖点
华硕无畏Pro15 2024搭载的是一块2880×1620分辨率100%P3广色域120Hz屏,支持DC调光,有TÜV低蓝光认证,具备出厂逐台校色并内置ICC颜色配置文件,同时通过了潘通色彩认证,核心参数符合该机的定位:高分辨率+广色域+高刷,创作、游戏全能。

▲原生色域模式下,实测屏幕色域覆盖为100%sRGB、95.9%AdobeRGB、99.1%DCI-P3色域。对于OLED广色域下,有的小伙伴担心屏幕饱和度是否过高影响部分视觉应用的准确度?其实不用担心,因为华硕在内置应用“华硕管家”中提供了色域切换功能,支持原生、sRGB、DCI-P3和Display P3四种色域切换,而这也是目前华硕OLED屏笔记本具备的独家卖点。

▲上图即是切换到sRGB显示模式下的色域测试,效果很直观。

▲色准方面,P3色域下的色准测试ΔE平均值为1,sRGB色域下的色准测试ΔE平均值为0.94,表现出色。出厂校色+内置ICC颜色配置文件+色域切换,能保障用户在日常使用和视觉创作应用中都能得到精准的色彩还原。

▲亮度方面的表现也不错,SDR模式下最高亮度大概在370尼特左右,打开HDR显示,最高峰值亮度超过了600尼特。
再聊聊屏幕的人机交互响应体验,大家都知道OLED屏的一个优势就是响应速度超快,仅需0.2ms,配合120Hz刷新率,日常使用、游戏娱乐的屏幕都丝滑流畅。而结合测试数据和体验来说,华硕无畏Pro15 2024的这块屏幕的分辨率、刷新率、色域、色准以及亮度都无可挑剔,人机交互很棒。并且屏幕也支持自动暗屏、人走自动锁屏等功能。而说到影音,牛叔也顺便说一句,该机的扬声器音量很充沛。

另外,说到OLED屏,就要提到华硕好屏的多重保障功能与措施了:包括出厂默认采用Windows深色模式、具备OLED老化优化技术、默认采用OLED屏幕保护以及加入屏幕保护程序“华硕OLED Care”,例如像素偏移、像素刷新等等,可有效保障OLED屏使用寿命。同时在售后方面,针对OLED屏笔记本,华硕还推出了华硕好屏无忧换新服务:购机一个月内出现亮点免费换屏,标准保修期内(屏幕标准保修期限为24个月),非人为损坏导致屏幕出现残影可免费更换新屏幕。

处理器测试:Ultra 9 185H持续输出功率65W
华硕无畏Pro15 2024搭载的是英特尔第1代酷睿Ultra 9 185H处理器,这是该系列处理器中的旗舰级型号,具备16核22线程,基础功耗28W,最高睿频5.1GHz。第一代酷睿Ultra进行了变革与创新,采用的是分离式模块设计,特点是规格高、能效比出色。

实测来看,华硕无畏Pro15 2024的性能释放也相当不错:室温20℃左右,全转模式下对该机进行单考处理器测试,持续30分钟以后,处理器稳定运行在65W功耗下,温度约77℃,P核约4GHz,E核约3.1GHz。

处理器跑分(单次)测试:

处理器基准测试中,Cinebench R23是大家经常见到的处理器基准测试,单轮测试中(受PL1爆发功耗影响大),华硕无畏Pro15 2024的多核分数是19037,这在1.8kg左右的轻薄大屏本中算是妥妥的强劲选手了。而在10分钟连续跑分测试中,该机的多核跑分也维持在18000分左右,表现不错。

R23单次跑分
处理器满载渲染测试
与跑分测试不同的是,满载渲染测试考查的是笔记本的长期持续输出性能表现,测试为blender渲染,渲染项目为Classroom,最终该机耗时仅为5分22秒(322秒),比标准TDP下的渲染耗时快约40%。该项测试更能说明65W款Ultra 9 185H的实战表现性能。

办公应用测试
PCMark10的办公性能测试包含了常用基本功能(程序启动、视频会议、网页浏览)、生产力(表格和文档)、数位内容创作(照片编辑、渲染和视频编辑)。华硕无畏Pro15 2024的分数是7082,28W的Ultra 7 155H轻薄分数是6715,相差不大,这是因为不管是28W还是65W的16核22线程处理器,应对日常轻度应用都是轻松愉快,毫无压力。


▲SSD测试,PCIe4.0,跑分不错,日常使用响应疾速。
CPU测试小结:华硕无畏Pro15 2024的酷睿Ultra 9 185H持续性能释放功率是65W,在酷睿Ultra 轻薄本中算是第一梯队的强力机型,稳妥!同时得益于16核22线程的规格,实战表现强劲,应对日常使用绰绰有余,也能做一些中高度的专业应用,比如视频剪辑、工业制图、3D渲染等。
RTX 4060:满血输出,游戏、创作、AI全搞定
测评款华硕无畏Pro15 2024搭载的是RTX 4060 8GB独显。在大家最为关心的功耗方面,其在全转模式下单考显卡功耗最高在110W左右。并且其搭载的是NVIDIA Studio驱动程序,可为创意应用提供更稳定的助力,同时兼顾游戏娱乐。在下面的性能测试中,牛叔即设置为全转模式进行性能实测。

基准性能测试
先看看独显的基准性能跑分。我们加入了数据库中去年的140W RTX 4060游戏本测试成绩作为对比参考,以方便大家了解华硕无畏Pro15 2024的显卡性能释放水平。

测试结果可能出乎不少小伙伴的意料,尽管华硕无畏Pro15 2024搭载的RTX 4060功耗最高功耗在110W左右,但在大部分基准测试却轻微反超了游戏本的140W款RTX 4060——原因我们之前分析过,主要是因为RTX 40系笔记本独显的能效比很高,不需要25W的动态功耗也能跑满性能(例如桌面的RTX 4060 显卡总功耗即是115W,游戏常规功耗110W),最终也就导致了华硕无畏Pro15 2024的独显基准测试和140W的RTX 4060不相上下,同为满血输出(当然和今年最强级别的RTX 4060相比要稍低一些)。

2.5K分辨率游戏实测
接下来是游戏实测,考虑到屏幕原生分辨率2880×1620对于RTX 4060而言压力偏大,所以从实际使用角度考虑,牛叔将游戏分辨率设置为了2560×1440,并引入了140W RTX 4060游戏本作为参考(注:游戏本是2560×1600分辨率屏),实战更考验整机功率释放情况,显然这方面轻薄全能本是不及游戏本的,那么结果如何呢?

测试来看,两者帧速度差不多,并且华硕无畏Pro15 2024基本都还略微领先一点儿。不可否认的是,也有2560×1440分辨率比2560×1600分辨率稍低一些的缘故。但同时也证明了一点:华硕无畏Pro15 2024搞定2560×1440分辨率3A大作基本妥当,并且帧速和游戏本在同一水平下。

《古墓丽影:暗影》平均帧速94fps

《赛博朋克2077》平均帧速46fps
创作性能测试
Blender不仅支持处理器渲染,也支持RTX独显CUDA加速,这里我们通过对比140W款RTX 3060的CUDA加速测试,来考查华硕无畏Pro15 2024的独显渲染性能。

RTX 4060 GPU CUDA渲染效率非常不错,相比RTX 3060提升明显,其渲染Classroom场景仅需42秒就能完成,而RTX 3060渲染耗时超过了1分钟。

▲照片处理(Ps和Lr)对综合性能要求不算高,华硕无畏Pro15 2024轻松拿下了6686的跑分,处理照片信手拈来。

▲针对该机的工业设计性能表现,我们用专业显卡测试工具SPECviewperf 13进行了详尽测试。这些测试项目包含各种产品设计,从医学影像、地质勘探到建筑、发动机设计、飞机设计等等,以3dsmax-06为例,RTX 4060为224,RTX 3060参考为172;另外,通常游戏显卡分数偏低的Energy-02也跑到了36.39,RTX 3060为21.56。显然在工业制图渲染方面,华硕无畏Pro15 2024也是能胜任的。
AI性能测试
先来看看量化的AI推理算力测试。我们使用了UL PROCYON的AI推理测试模块来进行测试,这是目前Windows环境下的量化AI推理算力测试软件,该机的跑分是790分,由于目前暂无其他独显参考数据,所以这里大家看看成绩即可。

Stable Diffusion是当下非常流行的AI创作工具,设置为:采样方法Euler a、迭代步数50、总批次数10、单批数量2,生成分辨率为768×768的图片,最终测试出图速度是4.33张每分钟。可参考的桌面RTX 4060在同设置下出图速度是4.67张每分钟,两者速度接近,而如果是核显的话,则需要数分钟才能出一张图——从中大家可以看到RTX独显全能本对于AI应用的加成威力。

华硕无畏Pro15 2024内置应用“华硕大厅”中还有一个AI新纪元,里面包含了多款的AI本地应用(部分软件需注册/付费使用),比如AI写作助理,AI智能图像处理,AI一键翻译等。大家知道2024年是AIPC元年,内置AI应用能更方便帮助小白用户一键使用AI。

AI写作助理文案,大家觉得怎么样?
RTX 4060独显测试小结:对于一款仅1.8kg左右的轻薄全能本RTX 4060独显能具备满血水平的游戏本级性能表现,可能在实测数据对比之前,不少小伙伴都不太相信,但测试数据完全证明了这一结论。华硕无畏Pro15 2024玩游戏,做创作,都没问题!
满载考机测试:整机性能释放125W
室温17℃左右,全转模式下,对华硕无畏Pro15 2024进行双考测试,半小时之后的情况如下所示:Ultra 9 185H功耗约30W,温度78℃,RTX 4060功耗约95W,温度78.6℃,整机性能释放约125W,对于一款全能本而言表现不错。另外要表扬的是,虽然叫做全转模式,但实际也是根据实时负载调整风扇转速,并不是直接就将转速拉满,只是转速上限比高效模式更高。

风扇噪声:实测双考满载时用户位噪声大概是50分贝,噪声较为明显。切换到高效模式下,风扇噪声大概是47分贝左右,平时使用中,高效模式的体验更舒适。

左侧是全转模式考机,右侧是高效模式考机
C面温度:考机时热量堆积在键盘中高部区域,最高处位于顶部F8附近,约49℃,按键Y、U附近约45℃,总体而言,高负载使用时避开键盘中部热量堆积区域即可。

下图是内部结构图,采用冰川Pro散热架构,双风扇5热管散热模组。内存板载8GB+插槽8GB,预留有M.2 SSD,后期均可升级。电池容量75Wh,PCMark10的现代办公基准测试续航成绩大约是9小时(核显显示模式),旁边是大个头的扬声器。

总结
结合所有的测评数据来看,我们能得出一个十分确凿的结论:得益于两大高能效比核心——第1代酷睿Ultra 9 185H处理器和RTX 4060独显的加持,华硕无畏Pro15 2024是一款高度成熟靠谱的RTX全能AI轻薄本!
论配置,该机齐整无槽点,而且具备充裕的内存、SSD升级扩展性。论性能表现,单处理器能跑65W,单独显输出110W,整机能达到125W的性能输出,日常使用、3A游戏娱乐、渲染剪辑、AI创作都能胜任;论人机交互,有高分高刷OLED屏,并且功能齐全,支持色域切换和OLED保护,有雷电4和全功能USB-C接口,支持100W PD充电,还有2.5K摄像头,不错的扬声器,以及极具特色的华硕虚拟旋钮。再说外观,1.8kg的大屏轻薄机身,无疑比游戏本轻便太多,而且也更能胜任各种商务场合使用。而要挑不足的话,注意下键盘背光的使用情况即可;满载时的风扇噪声肯定是要比核显轻薄本大一些的。
最后谈谈价格和购买建议:目前华硕无畏Pro15 2024的首发价格是8499元,属于万元内大屏RTX全能AI轻薄本。如果你的预算相对充足,同时对笔记本的综合性能要求高,但并不想买或者说不太适合使用厚重机身的游戏本,那么华硕无畏Pro15 2024就是值得考虑的轻薄全能本产品之一,该机的综合表现值得肯定。
文章来自互联网,只做分享使用。发布者:代号邱小姐,转转请注明出处:https://www.dingdanghao.com/article/100050.html
